Opel Astra H Betriebsanleitung

Opel Astra H (1. Facelift)

Baujahr 2004 bis 2013

Rabatte sichern!

Entdecke Sie Ersatzteile & Zubehör speziell für Ihr Fahrzeug.

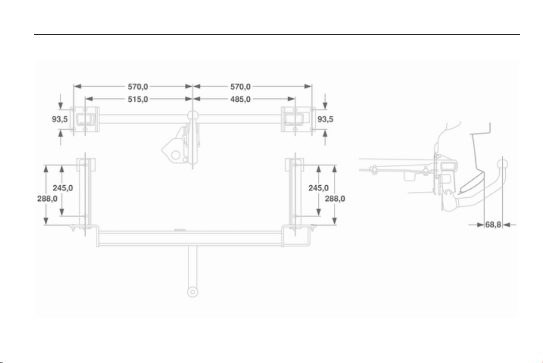
Technische Daten 261
TwinTop
Opel Astra Modelle
  • Astra GTC (A-H)
  • Astra OPC (A-H)
  • Astra (A-H)
  • Astra Stufenheck (A-H)
  • Astra Caravan (A-H)
  • Astra Twintop (A-H/C)

Benötigen Sie Hilfe?

Haben Sie eine Frage zu Ihrem Opel und die Antwort steht nicht im Handbuch? Stellen Sie hier Ihre Frage. Geben Sie eine klare und umfassende Beschreibung des Problems und Ihrer Frage an. Je besser Ihr Problem und Ihre Frage beschrieben sind, desto einfacher ist es für andere Opel-Besitzer, Ihnen eine gute Antwort zu geben.